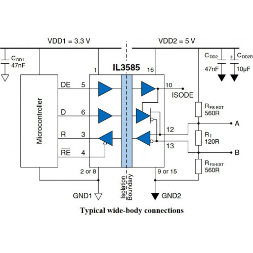
The IL3585e is a galvanically isolated, high-speed differential bus transceiver, designed for bidirectional data communication on balanced transmission lines. The device uses NVE’s patented* IsoLoop spintronic Giant Magnetoresistance (GMR) technology.
A unique ceramic/polymer composite barrier provides excellent isolation and virtually unlimited barrier life. The part is available in an ultraminiature 0.15" 16-pin SOIC package, a JEDEC-standard 0.3"-wide package, or NVE’s exclusive True 8™ 16-pin SOIC package for true 8 millimeter creepage.
The IL3585 delivers an exceptional 2.3 V differential output into a 54 Ω load over the supply range of 4.5 V to 5.5 V. This provides better data integrity over longer cable lengths, even at data rates as high as 40 Mbps. The device is also compatible with 3 V supplies, allowing interface to standard microcontrollers without additional level shifting.
Current limiting and thermal shutdown features protect against output short circuits and bus contention that may cause excessive power dissipation. Receiver inputs feature a “fail-safe if open” design, ensuring a logic high R-output if A/B are floating.
| Technical | |
| Applications | • Factory automation • Industrial control networks • Building environmental controls • Equipment covered under IEC 61010-1 Edition 3 • 5 kVRMS rated IEC 60601-1 medical applications |
| Features | • 40 Mbps data rate • 6 kVRMS Reinforced Isolation / 12.8 kV surge / 1 kVRMS WV (V-Series) • 3 V to 5 V power supplies • 20 ns propagation delay • 5 ns pulse skew • 50 kV/μs typ.; 30 kV/μs min. common mode transient immunity • 44000 year barrier life • 15 kV bus ESD protection • Low EMC footprint • Thermal shutdown protection • −40°C to +85°C temperature range • Meets or exceeds ANSI RS-485 and ISO 8482:1987(E) • VDE V 0884-10 certified; UL 1577 recognized • 0.15" or 0.3" True 8™ 16-pin SOIC packages |
Tags: Transceiver, Digital Isolators




